Мы угадали ваш город?
Да, верно Нет, другой
0
8-800-333-85-37
Бесплатно по России
Заказать звонок

Автоматика для котла Энтророс Энтроматик 53


Производитель:
Товар «под заказ»
Розничная цена:
По запросу
Добавить к сравнению
+ В КОРЗИНУ КУПИТЬ В 1 КЛИК
Доставка по городу
Гарантия производителя
Описание
Документация

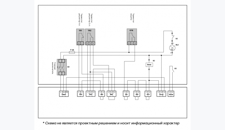
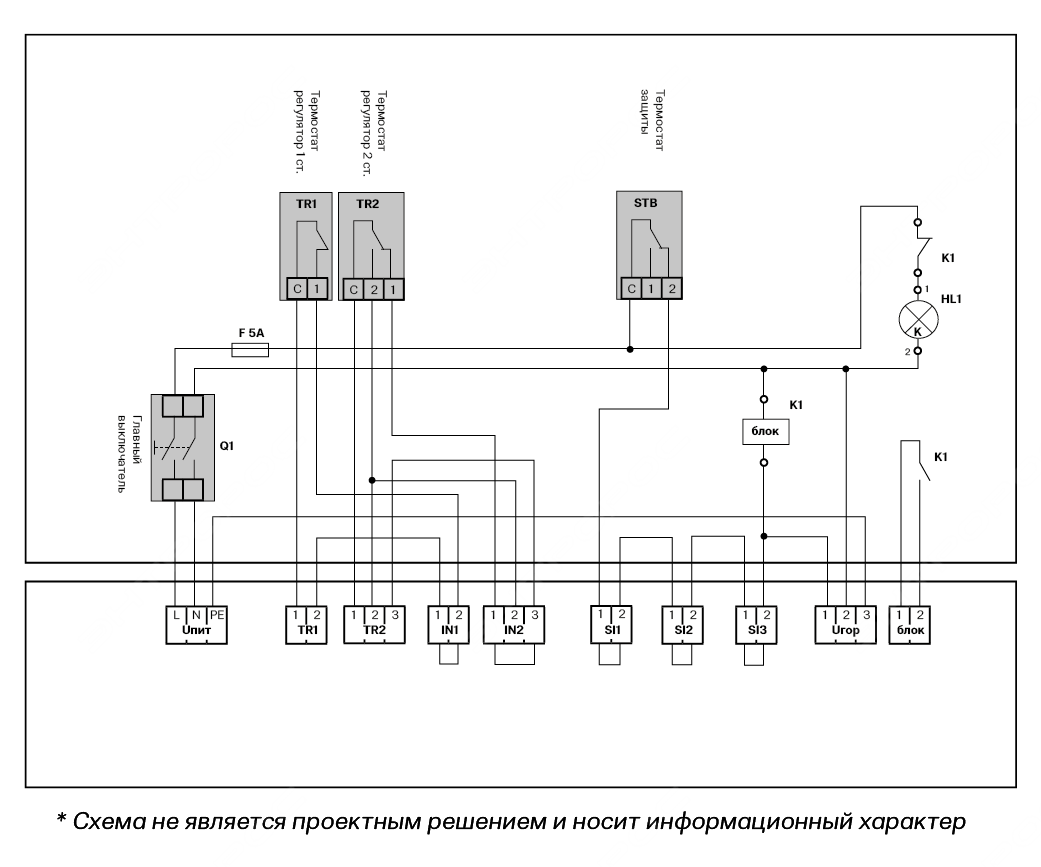
Система автоматики для газового котла отопления и теплоснабжения Энтроматик 53


Группа компаний НПК «Завод модульного энергооборудования» предлагает купить автоматику для газовых котлов отопления Энтророс серии Энтроматик 53 - надежная технология российского производства. Есть в наличии на складе в Курске и Курской области
Так же, наши инженеры осуществляют проектирование и монтаж систем автоматики котельной на котлах Энтророс для Вашего объекта.

Система автоматики для газового котла ЭНТРОМАТИК 53 необходима для управления котлом, а так же для его безопасной работы в случае возникновении критических ситуаций.

Управление котлом отопления при помощи системы автоматики для котла отопления ЭНТРОМАТИК 53 происходит за счёт формирования сигналов на горелочное устройство, например, запрос на включение, малая мощность, большая мощность. Так же, автоматика котла отключает горелочное устройство автоматически в критических ситуациях (превышение температуры, давления, уровня и т.д.).



Вы получите бесплатную консультацию, позвонив нам по телефону:
8-800-333-85-37

Или оставив заявку на звонок

ЗАКАЗАТЬ ЗВОНОК


Основные функции автоматики котла

Таким образом, основными функциями автоматики для газового котла отопления ЭНТРОМАТИК 53 являются: управление горелкой; защита котла при критических значений параметров.

Для реализации этих задач в блоке автоматики для котла отопления применяются:

  • автоматическое отключение горелочного устройства при температуре выше 130 С (STB);
  • автоматическое отключение горелочного устройства в случае разрыва цепи безопасности SI1–SI3. Желательно, включать в цепь датчики, которые будут контролировать показания (давление, температура, уровень и т.д.) и прекращать подачу газа к горелкам, если параметры превышены (параметры устанавливаются региональными нормами и правилами);
  • возможность настройки температуры включения горелки для низкой нагрузки;
  • возможность настройки температуры включения горелки для полной нагрузки;
  • работа в качестве «блока безопасности» при использовании внешнего регулятора.

Технические характеристики автоматики Энтроматик 53

Каскад Нет
Локально Один котел
Локальные приборы TR1, TR2, STB
Блок безопасности Нет
Аппаратная часть Релейная схема
Тип управления горелкой Ступени
Ручное управление По термостату
Защита по холодной обратной линии Нет
Индикация/визуализация Световая индикация
Количесвто контуров управления на одном модуле Нет
Применение Котлы малой мощности
Диспечтеризация Сухой контакт
Габариты 280*295*131
Декларация о соответствии системы автоматики котла Энтроматик 53Скачать документ
Руководство по эксплуатации системы автоматики котла Энтроматик 53Скачать документ

Задать вопрос


Выберите ваш город
×
 Курск
Продолжая использовать наш сайт, вы соглашаетесь с условиями обработки cookie-файлов и пользовательских данных с помощью Яндекс.Метрика, необходимых для аналитики и улучшения качества работы сайта и сервиса. Запретить эти действия можно в настройках браузера